![]() |
A G. 912. feladat (2026. január) |
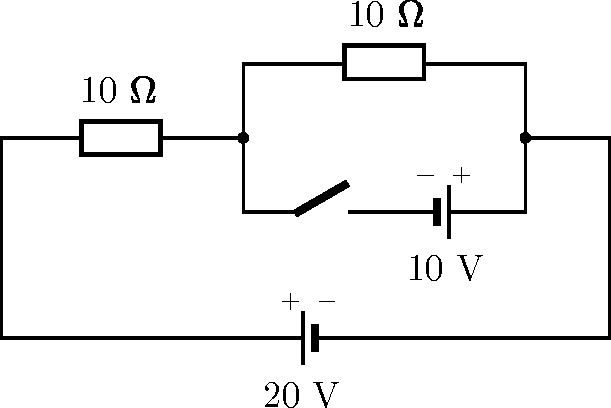
G. 912. Az ábrán látható áramkörben kezdetben a kapcsoló nyitva van.

a) Mekkora áramok folynak az áramkör ellenállásain és a telepeken a kapcsoló zárása előtt és után?
b) Mekkora áramok folynak, ha a kapcsoló melletti feszültségforrás polaritását megfordítjuk?
(4 pont)
A beküldési határidő 2026. február 16-án LEJÁRT.
Megoldás. Ha a kapcsoló nyitva van, akkor a 10 V-os telepen nem folyik áram, mintha ott sem lenne, ezért mindkét (sorba kötött) ellenálláson 1 A áram folyik balról jobbra, és ugyanennyi folyik át a telepen is. (Amennyivel csökken a telep energiája, annyi Joule-hő keletkezik az ellenállásokon.)
a) Ha a kapcsolót zárjuk, akkor a jobb oldali ellenállásra 10 V feszültség esik, tehát rajta most is 1 A áram folyik, de az előzőekkel ellentétesen, vagyis jobbról balra. A bal oldali ellenállásra 30 V feszültség jut, tehát abban 3 A áram folyik az előzőekkel azonos irányban, balról jobbra. A csomóponti törvény szerint a 10 V-os telepen 4 A áram, míg a 20 V-os telepen 3 A áram folyik.
A 10 V-os telep 40 W teljesítményt ad le, míg a 20 V-os telep leadott teljesítménye 60 W. A bal oldali ellenálláson disszipálódó hőteljesítmény 90 W, míg a jobb oldali ellenálláson mindössze 10 W. Megnyugtató módon teljesül az energiamérleg: \(\displaystyle 40+60=90+10\).
b) Ha a kapcsoló melletti feszültségforrás polaritása fordított, a jobb oldali ellenállásra ugyanúgy 10 V esik, és rajta 1 A áram folyik, de most a kikapcsolt esettel megegyezően balról jobbra. Ebben az esetben tehát a kapcsoló zárása semmilyen változást nem okoz: az ellenállásokon és az alsó telepen 1 A áram folyik, a felső telepen pedig nem folyik áram.
Statisztika:
40 dolgozat érkezett. 4 pontot kapott: Balassa Ádám, Blaskovics Bálint, Börcsök Péter, Buliczka Csombor, Csabai Blanka, Csikós Attila, Horváth 019 Bálint, József Áron, Kovács Artúr-Lehel, Majer Veronika, Rácz Koppány Bendeguz, Schneider Viola, Szabó Ábel, Szighardt Anna, Trellák András Benedek, Villant Vanda, Zsilák Márk Péter. 3 pontot kapott: Bachman Krisztián , Győrffy Réka Rebeka, Olláry Viktor Alex. 2 pontot kapott: 6 versenyző. 1 pontot kapott: 7 versenyző. 0 pontot kapott: 1 versenyző. Nem versenyszerű: 2 dolgozat.
A KöMaL 2026. januári fizika feladatai

